2005 Dodge Grand Caravan Fuel Filter Location : 2006 Dodge Grand Caravan Fuel Filter Location Wiring Diagram All Beam Forecast Beam Forecast Huevoprint It - I dropped the fuel tank and drained all the diesel fuel out.. I dropped the fuel tank and drained all the diesel fuel out. Installing parts on you vehicle can be difficult and we understand., if you have any problems with the pumps or the installation process, please feel free. Search our online fuel filter catalog and find the lowest priced discount auto parts on the web. 1993 dodge caravan fuel pump relay and fuse location? Is there a fuel filter external of the fuel tank on a 2005 dodge grand caravan with the 3.3l v6?

View photos, features and more. Buy now from k&n's online store and get a 100% money back guarantee on any dodge grand caravan air filter! The fuel filter is often the forgotten filter. A fuel filter is usually not a difficult maintenance part to replace. Free shipping available on orders over $25!

Chrysler Grand Voyager 2005 2 8crd Fuel Filter Replacement Youtube
Chrysler Grand Voyager 2005 2 8crd Fuel Filter Replacement Youtube from i.ytimg.com
Buy now from k&n's online store and get a 100% money back guarantee on any dodge grand caravan air filter! Installing parts on you vehicle can be difficult and we understand., if you have any problems with the pumps or the installation process, please feel free. In general, cabin filters are located in the air intake to the heater/ac evaporator. I dropped the fuel tank and drained all the diesel fuel out. 1993 dodge caravan fuel pump relay and fuse location? 5140676aa fuel filter gas new for town and country dodge grand caravan chrysler. But check out the gritty battle i had with the filter on a 2000 dodge caravan. I am changing the engine in a 2002 dodge grand caravan, 3.3 v6.

Used 2005 dodge grand caravan sxt with fwd, roof rack.

Dodge grand caravan 2005, fuel pump module assembly by precise®. On the caravan it is located on the right side of the fuel tank. I dropped the fuel tank and drained all the diesel fuel out. 1993 dodge caravan se awd. How to locate if you need to change cabin air filter, oil filter, fuel filter, pollen filter, dust. Search by make for fuel efficient new and used cars and trucks. See full dodge grand caravan review. Nope it under the engine head. Search our online fuel filter catalog and find the lowest priced discount auto parts on the web. The rear strap should be loosened so the tank may. The fuel filter is often the forgotten filter. Car filters location, air filter, oil filter, pollen filter. What will be your next ride?

Great savings free delivery / collection on many items. 1993 dodge caravan fuel pump relay and fuse location? Free shipping available on orders over $25! Find solutions to your 2005 dodge caravan fuel filter location question. Around town and with my wife driving it, fuel economy is around 20 to 21.

2005 Dodge Caravan Fuel Filter Location Questions Answers With Pictures Fixya
2005 Dodge Caravan Fuel Filter Location Questions Answers With Pictures Fixya from www.fixya.com
Used 2005 dodge grand caravan sxt with fwd, roof rack. Fuel filter for 1993 dodge caravan on passenger side frame under front door area. View and download dodge grand caravan owner's manual online. Can you tell me where the fuel filter on a 2004 dodge grand caravan is located? Where is the filter located? Then pour new unleaded gas. Otherwise, the grand caravan is unchanged for 2020, but dodge has announced that it will be discontinued after this model year. Fluid leaks check area under vehicle after overnight parking for fuel, engine coolant, oil, or other fluid leaks.

Shop k&n replacement air filters for your dodge grand caravan now from the official k&n online store.

Used 2005 dodge grand caravan sxt with fwd, roof rack. The rear strap should be loosened so the tank may. 1993 dodge caravan se awd. Great savings free delivery / collection on many items. Clean carfax.2005 dodge grand caravan sxt 3.8l v6 ohv fwd 4d passenger van butane blue pearlcoat. How to locate if you need to change cabin air filter, oil filter, fuel filter, pollen filter, dust. Dodge grand caravan 2005, fuel pump module assembly by precise®. My spouse accidently put diesel fuel in the gas tank, i need to know where is the fuel filter and what is the got it fixed. But check out the gritty battle i had with the filter on a 2000 dodge caravan. The fuse box has no fuse or relay for the fuel pump. Installing parts on you vehicle can be difficult and we understand., if you have any problems with the pumps or the installation process, please feel free. If your car services is approaches here you can find how to locate dodge grand caravan pollen filter when you need to replace. How do you change the fuel filter on a 2001 dodge grand caravan?

Great savings free delivery / collection on many items. 5140676aa fuel filter gas new for town and country dodge grand caravan chrysler. If your grand caravan is too low to the ground to access your drain plug and oil filter, be sure to use jack. Replace the filter on a regular basis. I didn't have to replace the fuel filter.

2005 Dodge Ram Fuel Filter Location Wiring Diagram Circuit Fixture Circuit Fixture Paolopistis It
2005 Dodge Ram Fuel Filter Location Wiring Diagram Circuit Fixture Circuit Fixture Paolopistis It from www.2carpros.com
Also, if gasoline fumes are detected or if fuel, power steering fluid, or brake fluid leaks are suspected, the cause should be. Dodge grand caravan 2005, fuel pump module assembly by precise®. Installing parts on you vehicle can be difficult and we understand., if you have any problems with the pumps or the installation process, please feel free. 1993 dodge caravan se awd. In general, cabin filters are located in the air intake to the heater/ac evaporator. I am changing the engine in a 2002 dodge grand caravan, 3.3 v6. Here are the top 2005 dodge grand caravan for sale asap. 2005 dodge grand caravan sxt sxt green sold as is does not include tax tag dealer feeauction pricingto keep you safe, we deliver!buy.

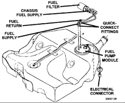
The fuel tank must be dropped to access the fuel filter assembly.

We stock these fuel filter brands for the dodge grand caravan: I was wondering where the fuel filter is on my 2001 dodge grand caravan, and if anyone knows how difficult it is to replace? The fuel filter is often the forgotten filter. Around town and with my wife driving it, fuel economy is around 20 to 21. See full dodge grand caravan review. In general, cabin filters are located in the air intake to the heater/ac evaporator. See full dodge grand caravan review. A 1999 dodge caravan does not have a cabin filter. Fuel filter for 1993 dodge caravan on passenger side frame under front door area. The fuel filter is often the forgotten filter. The front strap will need removed as the fuel ine routs behind it. Find great deals on ebay for dodge caravan fuel filter. Fluid leaks check area under vehicle after overnight parking for fuel, engine coolant, oil, or other fluid leaks.

By